Thép V 80 x 80 x 6 x 12m
15.500 ₫
- Barem: 88.32 kg/ cây
- Mác thép: SS400, Q235B, Q245R/Q345R
- Tiêu chuẩn chất lượng: GOST 380-88, JIS G3101, SB410, 3010, ANSI, EN, ASTM, DIN.
- Chiều dài: 12m/ cây
Thông tin tổng quan
Thép hình V hay còn có tên gọi khác là thép V, có cấu trúc đặc biệt bởi được tạo thành bằng cách uốn cong tấm thép một góc vuông 90 độ. Nhờ tiết diện mặt cắt giống hình chữ V nên loại thé này có khả năng chống uốn cong tốt theo chiều dài của cây thép. Loại thép này cũng có tính bền và ổn định cao, phù hợp với nhiều ứng dụng kỹ thuật khác nhau. Hãy cùng Thép Trần Long khám phá thêm về loại thép hình V này trong công nghiệp xây dựng!
Thành phần hoá học

Tính chất cơ lý

Ứng dụng thép hình V80 x 80 x 6 x 12m
Nhờ những ưu thế đặc biệt, thép hình V được ứng dụng linh hoạt và đa dạng, cụ thể:
- Trong các công trình xây dựng, thép hình V được sử dụng nhiều cho các công trình yêu cầu độ bền và an toàn như làm cột và dầm trong các công trình xây dựng như nhà xưởng, toà nhà cao tầng, cầu nhờ độ bền và khả năng chịu tải. Bên cạnh đó, thép V cũng được ứng dụng làm kết cấu nhà kho và nhà máy.
- Trong ngành công nghiệp đóng tàu, loại thép này cũng được ứng dụng để tạo ra các khung kết cấu chịu lực. Trong công nghiệp dầu khí và năng lượng, thép hình V được sử dụng để tạo các cột chịu được lực trong môi trường nước sâu.
- Trong các công trình giao thông và ngành công nghiệp ô tô, thép hình V được dùng để xây dựng cầu cảng, hay được ứng dụng vào các khung kết cấu chịu lực làm tăng tính an toàn cho ô tô.
- Như vậy, có thể nói thép hình V là một trong những loại thép rất đa dạng và linh hoạt, được ứng dụng vào nhiều lĩnh vực khác nhau của ngành công nghiệp và xây dựng.
Phân loại thép hình V80 x 80 x 6 x 12m
Sắt V (Thép V đen)
Là sản phẩm sắt chưa qua xử lý bề mặt, vẫn giữ nguyên màu đen của phôi thép. Loại thép V đen có giá thành thấp, được ứng dụng chủ yếu trong chế tạo nội thất, làm khung giá đỡ và các ứng dụng khác trong xây dựng dân dụng.
Thép hình V inox
Là sản phẩm thép được đánh giá cao, có nhiều ưu điểm vượt trội về tính năng, tiện ích, có khả năng chống ăn mòn cao, chịu nhiệt tốt và dễ dàng gia công theo các nhu cầu khác nhau. Bên cạnh đó, thép V inox có bề mặt sáng bóng, dễ dàng và tiện lợi trong việc vệ sinh.
Thép V mạ kẽm điện phân
Là sản phẩm được phủ một lớp kẽm mỏng từ 20 đến 30 μm ngoài bề mặt, loại thép này cũng có bề mặt sáng bóng và mịn hơn so với loại thép mạ kẽm nhúng nóng.
Thép V mạ kẽm nhúng nóng
Là sản phẩm có lớp mạ kẽm dày từ 70 đến 90 μm được phủ lên toàn bộ bề mặt để tạo ra lớp bảo vệ chống quá trình ăn mòn sản phẩm do các tác động của oxi hoá.
Thép hình V lỗ
Còn có tên gọi khác là thép V lỗ đa năng, là loại thép có nhiều lỗ trên bề mặt,các lỗ được đúc đồng đều giúp việc tháo lắp và lắp ráp tiện lợi, dễ dàng. Loại thép này được sử dụng rộng rãi và phổ biến trong việc lắp rắp kệ sách, kệ hồ sơ, kệ chứa hàng hoá trong siêu thị và một số ứng dụng khác.
Quy cách thép hình V
Theo tiêu chuẩn của TCVN, một cây thép V có thể có các chiều dài sau: 6, 7, 8, 9, 10, 11, 12, 13, 14, 15 (m). Trong thực tế, các sản phẩm thông dụng thường có chiều dài 6m và 12m như sau:
Các loại thép V từ V2 đến V8 thường có chiều dài 6m.
Các loại thép V từ V8 trở lên thường có chiều dài 12m.
Bảng Các thông số cụ thể của thép hình chữ V
Tương tự:
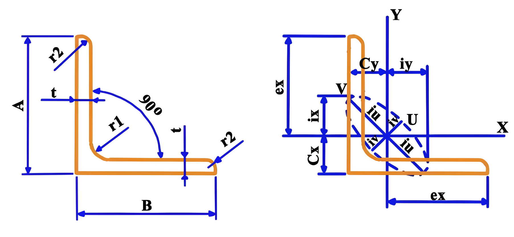
Trong đó:
- A và B: Đây là độ rộng của các cạnh của thép V, trong đó A = B.
- t: Đây là độ dày của cạnh của thép V.
- r1 và r2: Đây là bán kính của các góc lượn trong và lượn ngoài của thép V.
- Cx và Cy: Đây là khoảng cách từ trọng tâm của mặt cắt đến các cạnh của thép V.
- ix và iy: Đây là bán kính quán tính của mặt cắt theo hai trục x và y.
Trọng lượng thép V
Công thức dùng để tính trọng lượng thép V gồm có 2 loại là thép V đều cạnh và thép V không đều cạnh.
- Trọng lượng của thép V đều cạnh: (Chiều rộng cạnh x 2 độ dày) x chiều dài (m) x độ dày x 0,00785.
- Trọng lượng thép V không đều cạnh: (Chiều rộng cạnh + chiều rộng cạnh – độ dày) x chiều dài (m) x độ dày x 0,0076.
Báo giá thép hình V
| Tên sản phẩm | Độ dài (m) | Trọng lượng (kg) | Giá chưa VAT (đ/kg) | Tổng giá chưa VAT | Giá có VAT (đ/kg) | Tổng giá có VAT |
| Thép V 80 x 80 x 6 x 12m | 12 | 88.32 | 14.727 | 1.300.689 | 16.2 | 1.430.758 |
Thông tin giá cả các loại thép hình I khác
Đơn vị cung cấp thép hình V80 x 80 x 6 x 12m
Thép Trần Long chuyên cung cấp các loại thép hình V80 x 80 x 6 x 12m đảm bảo:
- Thép có đầy đủ giấy tờ, hoá đơn và chứng chỉ CO-CQ.
- Thép đảm bảo chất lượng, không rỗ và sét.
- Thép có dung sai theo quy định.
- Thép chất lượng cao với giá cạnh tranh nhất thị trường.
Liên hệ với Thép Trần Long để nhận mức giá rẻ nhất thị trường tại:
Hotline: 0936179626
Zalo: 0879189428
Email: theptranlongvn@gmail.com
Địa chỉ trụ sở: 358 Ngô Gia Tự, Đức Giang, Long Biên, Hà Nội
Sản phẩm tương tự
- Barem: 102.12 kg/ cây
- Mác thép: SS400, Q235B, Q245R/Q345R
- Tiêu chuẩn chất lượng: GOST 380-88, JIS G3101, SB410, 3010, ANSI, EN, ASTM, DIN.
- Chiều dài: 12m/ cây
- Chiều dài cạnh (A): 150mm
- Độ dày (t): 8mm, 10mm, 12mm, 15mm, 18mm, 20mm
- Góc vuông: 90°
- Barem thép (trọng lượng lý thuyết): khoảng 13.2 – 36.3 kg/m tùy theo độ dày cụ thể (ví dụ: dày 8mm ~ 13.2 kg/m; dày 12mm ~ 19.6 kg/m; dày 20mm ~ 36.3 kg/m)
- Chiều dài cây tiêu chuẩn: 6m hoặc 12m
- Mác thép phổ biến: A36, SS400, Q235B, S235JR, GR.A, GR.B, ASTM A36, JIS G3101, S355
- Barem: 543.6 kg/ cây
- Mác thép: SS400, Q235B, Q245R/Q345R
- Tiêu chuẩn chất lượng: GOST 380-88, JIS G3101, SB410, 3010, ANSI, EN, ASTM, DIN.
- Chiều dài: 12m/ cây
- Barem: 22.1 kg/ cây
- Mác thép: SS400, Q235B, Q245R/Q345R
- Tiêu chuẩn chất lượng: GOST 380-88, JIS G3101, SB410, 3010, ANSI, EN, ASTM, DIN.
- Chiều dài: 6m/ cây
- Chiều dài cạnh (A): 130mm
- Độ dày (t): 8mm, 10mm, 11mm, 12mm, 15mm, 18mm, 20mm
- Góc vuông: 90 độ
- Barem thép: Dao động từ 19.5 đến 39 kg/m
- Mác thép phổ biến: SS400 – A36 – CT3 – Q345B – A572 Gr50 – S355 – S275 – S255 – SS540
- Tiêu chuẩn chất lượng: GOST 380-88, JIS G3101, SB410, 3010, ATSM, DIN, ANSI, EN.
- Độ dài cạnh (A): 160 mm
- Độ dày (t): 12 mm, 14 mm, 16 mm, 18 mm, 20 mm, 22 mm
- Góc: 90°
- Phạm vi barem (kg/m): từ 29.014 kg/m đến 51.465 kg/m
- Mác thép phổ biến: SM490, SS540, Q345, S355JR
- Barem: 115.68 kg/ cây
- Mác thép: SS400, Q235B, Q245R/Q345R
- Tiêu chuẩn chất lượng: GOST 380-88, JIS G3101, SB410, 3010, ANSI, EN, ASTM, DIN.
- Chiều dài: 12m/ cây
Đăng ký nhận báo giá

